Latch - Ford (F5UZ1521813BA)

1992-1998 Ford - f5uz1521813ba

Latch - Ford (F5UZ1521813BA)

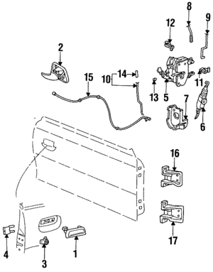
Part can be found as reference #5 in illustration

Latch - Ford (F5UZ1521813BA)

1992-1998 Ford - f5uz1521813ba

Discontinued Product

No Longer Available For Purchase

Packages shipped within the U.S. and Puerto Rico will automatically be protected from any loss, damage, and theft. Learn More

Manufacturer Warranty Minimum of 12 Months
Guaranteed Fitment Always the correct parts
Shop with Confidence Your information is safe
In-House Experts We know our products

Details

  • Brand:

    Ford, Lincoln, Mercury Parts
    Lincoln Parts Mercury Parts

  • SKU:

    F5UZ1521813BA

  • Positions: Left
  • Other Names:

    Lock,

  • Description:

    E150-350 vans. Left. Mustang.

Vehicle Fitment

Vehicle Fitment
Year Make Model Body & Trim Engine & Transmission
( more fitments)
No fitment data available

Product Reviews

Ask Our Team

Ford OEM Parts Direct

Ford OEM Parts Direct is your go to online retailer for original Ford parts and accessories. Get your Latch (f5uz1521813ba) delivered right to your door so you can begin your repair or upgrade fast. With VIN verification we guarantee your Latch will perfectly fit your 1992-1998 Ford vehicle. You can also use the VIN lookup feature to find parts that will match your vehicle. If you want to select and shop for your specific model, you can start by selecting your make below:

| Ford Models | Lincoln Models | Mercury Models |